Chatbox
Bac Technique
Ajouter des photos
Chargement
0%
classi.tn
Connexion
Confirmer?
Supprimer
Annuler
+
Créer une publication
Bac Technique
Forum Bac Tech
Math
Physique
Informatique
Français
عربية
English
Allemand
Espagnol
Italien
mecanique
electrique
Chimie
Technologie
Membres
mecanique ( 24 )
Bac Technique
Annuler
Enregistrer
Rejoindre classe
Annuler
Enregistrer
Mesfar Nejah
2025-02-04 • 09:00
mecanique
⋯
Ouvrir dans un nouvel onglet
Copier lien
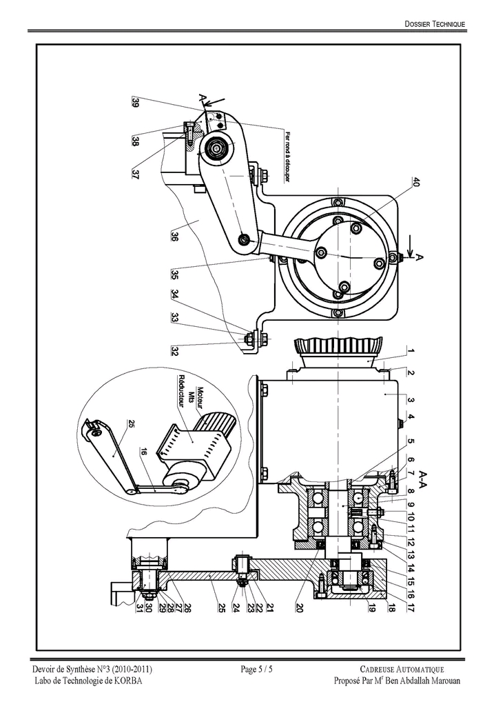
Devoir bac blanc - mécanique - bac technique ✅
المشتركون والأعضاء الفاعلة في الموقع لهم أولوية التحميل، لكن يمكنك الانتظار 20 ثانية
اشترك الان
1738655888711.jpg
20
Télécharger
1738655890051.jpg
20
Télécharger
1738655891335.jpg
20
Télécharger
1738655892727.jpg
20
Télécharger
1738655893974.jpg
20
Télécharger
1738655895272.jpg
20
Télécharger
1738655896555.jpg
20
Télécharger
1738655897812.jpg
20
Télécharger
1738655899030.jpg
20
Télécharger
1738655900414.jpg
20
Télécharger
1738655901700.jpg
20
Télécharger
1738655902974.jpg
20
Télécharger
1738655904304.jpg
20
Télécharger
📄
Télécharger le PDF
0